新闻动态

  • 调节阀控制回路组态

    实操任务:公司气化炉CO2缓冲罐出口压力调节阀控制回路组态

    2025-07-21 科威

  • 科里奥利质量流量计典型结构和工作原理CMF基本结构 

    流量传感器是一种基于科里奥利力效应的相位敏感型谐振式传感器。该传感器由振动管、信号检测器、震荡驱动器、支撑结构和壳体所组成。

    2025-07-16 科威

  • 电机的轴电流知识分享

    电机轴电流是一种比较特殊的电流现象,是指在电机运行过程中,电流通过电机轴、轴承、底座等部件形成的闭合回路中流动的现象。它通常与轴电压的存在密切相关,而轴电压的产生则与电机的磁场不对称、供电电流中的谐波、制造或安装不良、变频器供电等因素有关。

    2025-07-16 科威

  • 气动阀FC、FO、FL、FLC、FLO、AFL、EFC及AFL、EFO故障

    气动阀再应用中经常碰到FC、FO、也就是说的气开和气关式,那么这些是什么意思呢,笔者就气动阀故障位置:FC、FO、FL、FLC、FLO、AFL/EFC和AFL/EFO做详细介绍:

    2025-07-16 科威

  • 信号隔离器拨码开关设置及接线

    信号隔离器拨码开关设置及接线

    2025-07-14 科威

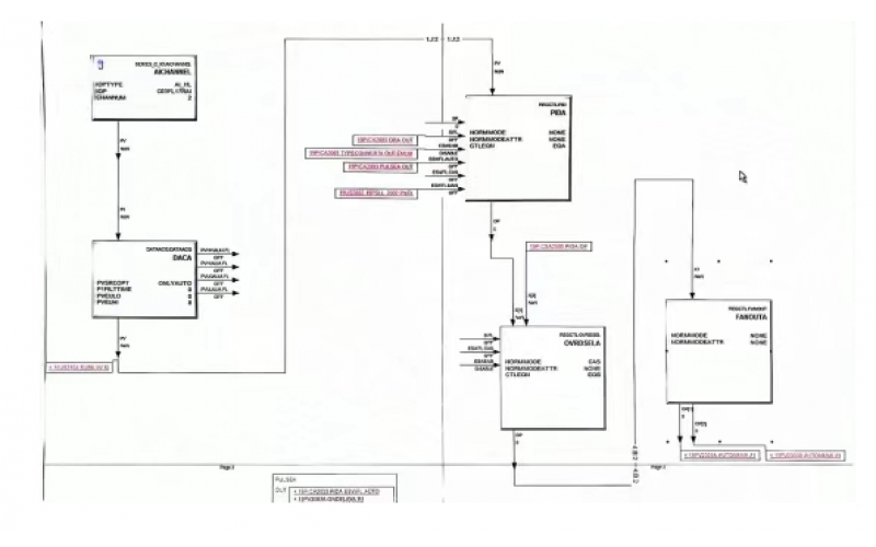
  • 霍尼韦尔PKS系统SCM的强制与旁路

    执行条件的强制:在霍尼韦尔 PKS 系统的顺控程序 SCM 中,对于某些不满足的执行条件,可直接在顺控中强制成需要的状态(ON 或 OFF),但需先将强制允许使能。当某个执行条件被强制时,该条件在顺控中会显示为 Bypass(旁路),且在顺控主界面可查看到条件的强制状态。

    2025-07-14 科威

  • 增速继动器(放大器)的正确安装与日常维护要点

    当定位器输出的控制气体信号经信号口传入增速继动器后,信号压力会立即作用于内部的敏感元件,常见的敏感元件如膜片、活塞等。

    2025-07-09 科威

  • DCS系统的切断阀允许加旁路吗?

    在工业过程控制系统中,DCS(分散控制系统)切断阀是否允许加旁路需结合工艺安全、可靠性及规范要求综合判断。以下是关键分析:

    2025-07-09 科威

首页
产品
新闻
联系